- 地址:中国江苏省南通市崇川区新胜路158号迈普科技园8号楼北楼
- 电话:+86-513-51016256
- 传真:+86-513-89051188
- 邮箱:sales@qcairpower.com
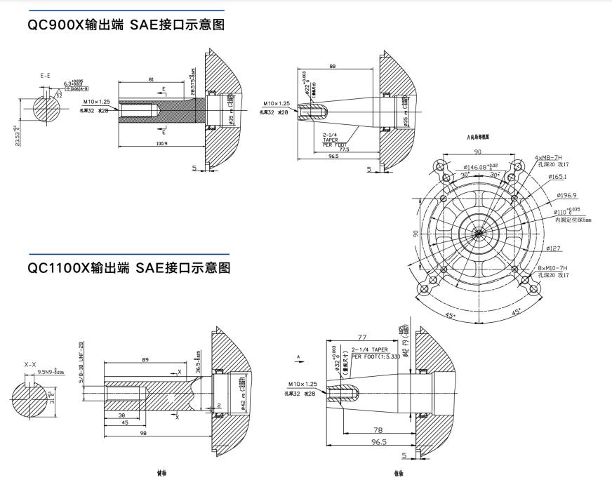
双缸V型风冷柴油机QC900X
- 产品描述:1. 全新设计、全新升级 2. 重量更轻、体积更小、性能更好 3. 全新燃烧系统更节能、实现快速停机 4. 震动小、噪音低、可靠性好 5. 机油消耗更低、排放更好
产品介绍
1.全新设计、全新升级
2.重量更轻、体积更小、性能更好
3.全新燃烧系统更节能、实现快速停机
4.震动小、噪音低、可靠性好
5.机油消耗更低、排放更好
|
型 号 |
QC900X |
|
|
型 式 |
双缸V型、风冷、四冲程、直喷 |
|
|
活塞排量(L) |
0.90 |
|
|
输出功率(KW) |
15 |
16 |
|
标定转速(r/min) |
3000/3600 |
|
|
燃油消耗率(g/kw.h) |
≤250 |
≤260 |
|
输出旋转方向 |
逆时针 |
|
|
润滑方式 |
飞溅、压力 |
|
|
启动方式 |
电启动 |
|
|
机油容量(L) |
2.3 |
|
|
机油消耗率(g/kw.h) |
≤0.6 |
|
|
外形尺寸(mm) |
540×400×460 |
|
|
净重量(kg) |
60 |
|








